1.An overview of the basic type
2.An overview of the basic type
7.Selection Guide,Constant power,Mechanical calculation
8.Selection Guide,Constant power,The heat capacity calculation
9.Selection Guide,Variable power
11.Selection Guide,The calculation examples,Mechanical calculation
12.Selection Guide,The calculation examples,The heat capacity calculation
15.power rating,type H1...,specifications3-26
16.thermal capacity ,type H1...,specifications3-26,n1=1000min-1
17.thermal capacity ,type H1...,specifications3-26,n1=1500min-1
18.power rating,type H2...,specifications4-26
19.thermal capacity ,type H2...,specifications4-26,n1=1000min-1
20.thermal capacity ,type H2...,specifications4-26,n1=1500min-1
21.power rating,type H3...,specifications5-26
22.Rated output torque,type H3...,specifications5-26
23.thermal capacity ,type H3...,specifications5-26,n1=1000min-1
24.thermal capacity ,type H3...,specifications5-26,n1=1500min-1
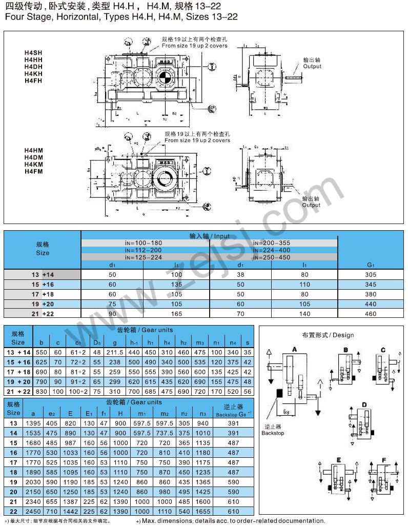
25.power rating,type H4...,specifications7-26
26.Rated output torque,type H4...,specifications7-26
27.thermal capacity ,type H4...,specifications7-26,n1=1000min-1
28.power rating,type B2...,specifications4-26
29.thermal capacity ,type B2...,specifications4-26,n1=1000min-1
30.thermal capacity ,type B2...,specifications4-26,n1=1500min-1
31.power rating,type B3...,specifications4-26
32.Rated output torque,type B3...,specifications4-26
33.thermal capacity ,type B3...,specifications4-26,n1=1000min-1
34.thermal capacity ,type B3...,specifications4-26,n1=1500min-1
35.power rating,type B4...,specifications5-26
36.thermal capacity ,type B4...,specifications5-26,n1=1000min-1
37.The actual transmission ratio,type H1...,H2...,H3...,H4...,specifications3-14
38.The actual transmission ratio,type H1...,H2...,H3...,H4...,specifications15-26
39.The actual transmission ratio,type B2...,B3...,B4...,specifications4-14
40.The actual transmission ratio,type B2...,B3...,B4...,specifications15-26
41.Allow the output shaft D2, additional radial force, solid shaft(S)
42.Allow the output shaft D2, additional radial force, solid shaft(S)
43.dynamic moment of inertia J1,type H1...,H2...,H3...,H4...,specifications3-14
44.dynamic moment of inertia J1,type H1...,H2...,H3...,H4...,specifications15-26
45.dynamic moment of inertia J1,type B2...,B3...,B4...,specifications4-14
46.dynamic moment of inertia J1,type B2...,B3...,B4...,specifications15-26
48.Layout,Install side, tilt or swing gear box installation
49.Single stage transmission,Horizontal installation,type H1SH,specifications3-19
50.Single stage transmission,Horizontal installation,type H1SH,specifications3-19
51.The two stage transmission, horizontal installation,type H2.H,specifications4-12
52.The two stage transmission, horizontal installation,type H2.H,specifications4-12
53.The two stage transmission, horizontal installation,type H2.H,H2.M,specifications13-22
54.The two stage transmission, horizontal installation,type H2.H,H2.M,specifications13-22
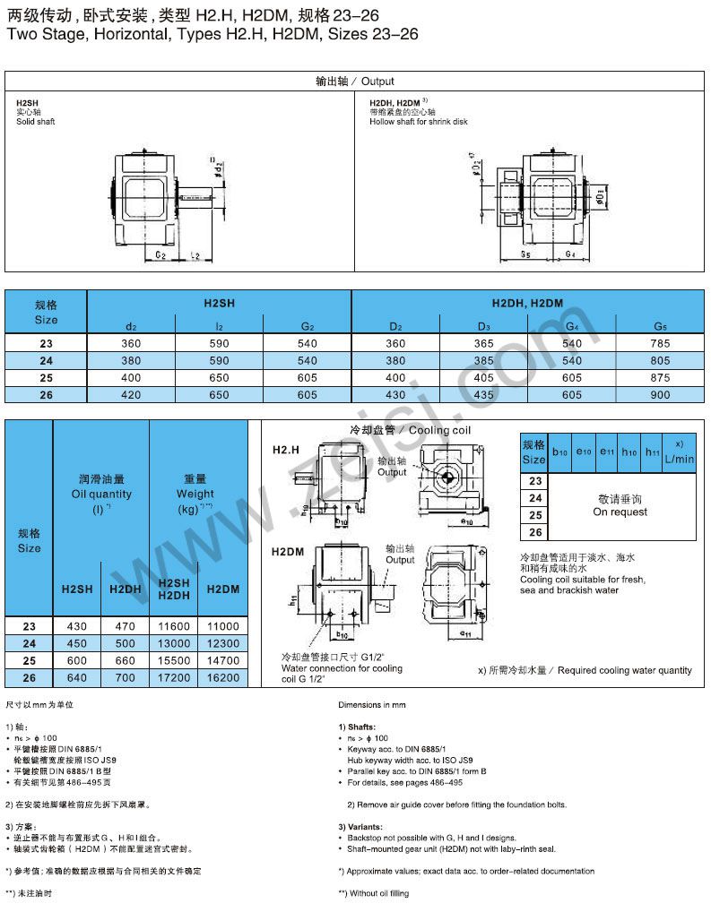
55.The two stage transmission, horizontal installation,type H2.H,H2DM,specifications23-26
56.The two stage transmission, horizontal installation,type H2.H,H2DM,specifications23-26
57.The three stage transmission, horizontal installation,type H3.H,specifications5-12
58.The three stage transmission, horizontal installation,type H3.H,specifications5-12
59.The three stage transmission, horizontal installation,type H3.H,H3.M,specifications13-22
60.The three stage transmission, horizontal installation,type H3.H,H3.M,specifications13-22
61.The three stage transmission, horizontal installation,type H3.H,H3DM,specifications23-26
62.The three stage transmission, horizontal installation,type H3.H,H3DM,specifications23-26
63.The four stage transmission, horizontal installation,type H4.H,specifications7-12
64.The four stage transmission, horizontal installation,type H4.H,specifications7-12
65.The four stage transmission, horizontal installation,type H4.H,H4.M,specifications13-22
66.The four stage transmission, horizontal installation,type H4.H,H4.M,specifications13-22
67.The four stage transmission, horizontal installation,type H4.H,H4DM,specifications23-26
68.The four stage transmission, horizontal installation,type H4.H,H4DM,specifications23-26
69.The two stage transmission, horizontal installation,type B2.H,specifications4-12
70.The two stage transmission, horizontal installation,type B2.H,specifications4-12
71.The two stage transmission, horizontal installation,type B2.H,B2.M,specifications13-18
72.The two stage transmission, horizontal installation,type B2.H,B2.M,specifications13-18
73.The three stage transmission, horizontal installation,type B3.H,specifications4-12
74.The three stage transmission, horizontal installation,type B3.H,specifications4-12
75.The three stage transmission, horizontal installation,type B3.H,B3.M,specifications13-22
76.The three stage transmission, horizontal installation,type B3.H,B3.M,specifications13-22
77.The three stage transmission, horizontal installation,type B3.H,B3DM,specifications23-26
78.The three stage transmission, horizontal installation,type B3.H,B3DM,specifications23-26
79.The four stage transmission, horizontal installation,type B4.H,specifications5-12
80.The four stage transmission, horizontal installation,type B4.H,specifications5-12
81.The four stage transmission, horizontal installation,type B4.H,B4.M,specifications13-22
82.The four stage transmission, horizontal installation,type B4.H,B4.M,specifications13-22
83.The four stage transmission, horizontal installation,type B4.H,B4DM,specifications23-26
84.The four stage transmission, horizontal installation,type B4.H,B4DM,specifications23-26
85.double-stage driving ,Vertical installation,type H2.V,specifications4-12
86.double-stage driving ,Vertical installation,type H2.V,specifications4-12
87.double-stage driving ,Vertical installation,type H2.V,specifications13-22
88.double-stage driving ,Vertical installation,type H2.V,specifications13-22
89.The three stage transmission,Vertical installation,type H3.V,specifications5-12
90.The three stage transmission,Vertical installation,type H3.V,specifications5-12
91.The three stage transmission,Vertical installation,type H3.V,specifications13-22
92.The three stage transmission,Vertical installation,type H3.V,specifications13-22
93.The four stage transmission,Vertical installation,type H4.V,specifications7-12
94.The four stage transmission,Vertical installation,type H4.V,specifications7-12
95.The four stage transmission,Vertical installation,type H4.V,specifications13-22
96.The four stage transmission,Vertical installation,type H4.V,specifications13-22
97.double-stage driving ,Vertical installation,type B2.V,specifications4-12
98.double-stage driving ,Vertical installation,type B2.V,specifications4-12
99.double-stage driving ,Vertical installation,type B2.V,specifications13-18
100.double-stage driving ,Vertical installation,type B2.V,specifications13-18
101.The three stage transmission,Vertical installation,type B3.V,specifications4-12
102.The three stage transmission,Vertical installation,type B3.V,specifications4-12
103.The three stage transmission,Vertical installation,type B3.V,specifications13-22
104.The three stage transmission,Vertical installation,type B3.V,specifications13-22
105.The four stage transmission,Vertical installation,type B4.V,specifications5-12
106.The four stage transmission,Vertical installation,type B4.V,specifications5-12
107.The four stage transmission,Vertical installation,type B4.V,specifications13-22
108.The four stage transmission,Vertical installation,type B4.V,specifications13-22
109.DS type shaft center hole, according to DIN332/2
110.The accuracy of selection with ISO, flat keys and keyways
111.With hollow shaft shrink disc.,type :H2,H3,H4,B3,B4,specifications4-26
112.With hollow shaft shrink disc.,type :B2,specifications4-18
113.Hollow shaft with the flat key connection,type :H2,H3,H4,B3,B4,specifications4-18
114.Hollow shaft with the flat key connection,type :B2,specifications4-18
115.With spline (according to DIN5480) hollow shaft,type :H2,H3,H4,B3,B4,specifications5-26
116.With spline (according to DIN5480) hollow shaft,type :B2,specifications5-18
117.Mating flange is connected with the flange shaft,type :H2,H3,H4,B2,B3,B4,specifications5-12
118.Mating flange is connected with the flange shaft,type :H2,H3,H4,B2,B3,B4,specifications13-26
119.Lubricant selection and preservation
120.Oil supply lubrication options,type :H2,H3,H4,B2,B3,B4,specifications3-26
121.Oiled run,Vertical installation,type :H2,H3,H4,B2,B3,B4,specifications4-12
124.forced lubrication,motor pump,type :H2,H3,H4,B2,B3,B4,specifications5-18,Vertical installation
126.forced lubrication,Horizontal installation,type :H1SH,specifications5-17
127.forced lubrication,Horizontal installation,type :H2.H,specifications5-18
128.forced lubrication,Horizontal installation,type :B2SH,specifications5-18
129.Water - oil cooler, horizontal installation,type :H1SH,specifications5-17
130.Water - oil cooler, horizontal installation,type :H2.H,specifications5-18
131.Water - oil cooler, horizontal installation,type :B2.H,specifications5-12
132.Water - oil cooler, horizontal installation,type :B2.H,specifications13-18
133.Steam and oil cooler, horizontal installation,type :H1SH,specifications5-11
134.Steam and oil cooler, horizontal installation,type :H1SH,specifications13-17
135.Steam and oil cooler, horizontal installation,type :H2.H,specifications5-12
136.Steam and oil cooler, horizontal installation,type :H2.H,specifications13-18
137.Steam and oil cooler, horizontal installation,type :B2.H,specifications5-12
138.Steam and oil cooler, horizontal installation,type :B2.H,specifications13-18
139.With heating elements,type :H2,H3,H4,B2,B3,B4,specifications4-18
140.With the oil temperature gauge,type :H2,H3,H4,B2,B3,B4,specifications4-18
141.shaft seal ,type :H1-H4,B2-B4,specifications3-26
142.shaft seal ,shaft seal ,labyrinth packing
143.shaft seal ,combined labyrinth and carbon gland
144.IEC-The installation size standard motor
145.Motor for IEC- motor Mounting flange,type H2..,specifications4-14,With BIPEX coupling
146.Motor for IEC- motor Mounting flange,type H2..,specifications4-14,With BIPEX coupling
147.Motor for IEC- motor Mounting flange,type H3..,specifications5-18,With BIPEX coupling
148.Motor for IEC- motor Mounting flange,type H3..,specifications5-18,With BIPEX coupling
149.Motor for IEC- motor Mounting flange,type H4..,specifications7-18,With BIPEX coupling
150.Motor for IEC- motor Mounting flange,type H4..,specifications7-18,With BIPEX coupling
151.Motor for IEC- motor Mounting flange,type B2..,specifications4-14,With BIPEX coupling
152.Motor for IEC- motor Mounting flange,type B2..,specifications4-14,With BIPEX coupling
153.Motor for IEC- motor Mounting flange,type B3..,specifications4-18,With BIPEX coupling
154.Motor for IEC- motor Mounting flange,type B3..,specifications4-18,With BIPEX coupling
155.Motor for IEC- motor Mounting flange,type B4..,specifications5-18,With BIPEX coupling
156.Motor for IEC- motor Mounting flange,type B4..,specifications5-18,With BIPEX coupling
157.Motor for IEC- motor Mounting flange,type H2..,specifications4-14,With N-EUPEX coupling
158.Motor for IEC- motor Mounting flange,type H2..,specifications4-14,With N-EUPEX coupling
159.Motor for IEC- motor Mounting flange,type H3..,specifications5-18,With N-EUPEX coupling
160.Motor for IEC- motor Mounting flange,type H3..,specifications5-18,With N-EUPEX coupling
161.Motor for IEC- motor Mounting flange,type H4..,specifications7-18,With N-EUPEX coupling
162.Motor for IEC- motor Mounting flange,type H4..,specifications7-18,With N-EUPEX coupling
163.Motor for IEC- motor Mounting flange,type B2..,specifications4-14,With N-EUPEX coupling
164.Motor for IEC- motor Mounting flange,type B2..,specifications4-14,With N-EUPEX coupling
165.Motor for IEC- motor Mounting flange,type B3..,specifications4-18,With N-EUPEX coupling
166.Motor for IEC- motor Mounting flange,type B3..,specifications4-18,With N-EUPEX coupling
167.Motor for IEC- motor Mounting flange,type B4..,specifications5-18,With N-EUPEX coupling
168.Motor for IEC- motor Mounting flange,type B4..,specifications5-18,With N-EUPEX coupling
169.Gear box damping torque arm support,type H2,H3,H4,B2,B3,B4
170.Gear box damping torque arm support,type H2,H3,H4,B2,B3,B4
171.Gear box floating base,With N-EUPEX coupling,IEC motor and the corresponding coupling and brake
172.Gear box floating base,With N-EUPEX coupling,type B3,B4,specifications4-12
173.Gear box floating base,With N-EUPEX coupling,type B3,specifications4-12
174.Gear box floating base,With N-EUPEX coupling,type B4,specifications5-12
175.Gear box floating base,With N-EUPEX coupling,type B3,B4,specifications13-18
176.Gear box floating base,With N-EUPEX coupling,type B3,specifications13-18
177.Gear box floating base,With N-EUPEX coupling,type B4,specifications13-18
179.Gear box floating base,With FLUDEX hydraulic coupling,type B3,B4,specifications4-12
180.Gear box floating base,With FLUDEX hydraulic coupling,type B3,specifications4-12
181.Gear box floating base,With FLUDEX hydraulic coupling,type B4,specifications5-12
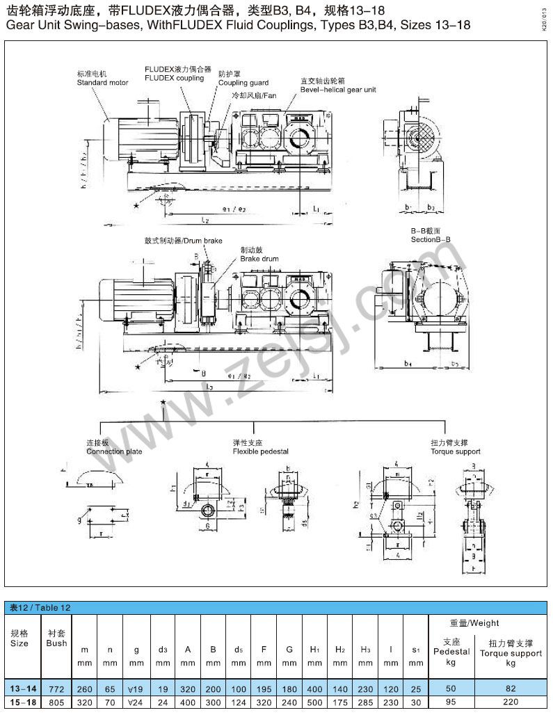
182.Gear box floating base,With FLUDEX hydraulic coupling,type B3,B4,specifications13-18
183.Gear box floating base,With FLUDEX hydraulic coupling,type B3,specifications13-18
184.Gear box floating base,With FLUDEX hydraulic coupling,type B4,specifications15-18
185.Special installation position,specifications4-18
186.Special installation position,Gear box bracket,specifications4-18
187.Screw conveyors for water treatment,type B3SH,specifications4-12
188.Screw conveyors for water treatment,type B3SH,specifications13-18
189.The motor bracket, horizontal installation, type H3.H,specifications5-10
190.The motor bracket, horizontal installation, type H3.H,specifications11-18
191.The motor bracket, horizontal installation, type H4.H,specifications7-12
192.The motor bracket, horizontal installation, type H4.H,specifications13-18
193.The motor bracket, horizontal installation, type B3.H,specifications4-10
194.The motor bracket, horizontal installation, type B3.H,specifications11-18
195.The motor bracket, horizontal installation, type B4.H,specifications5-11
196.The motor bracket, horizontal installation, type B4.H,specifications12-18
197.Mounting flange-Big installation space,specifications4-12
198.Mounting flange-Big installation space,specifications4-12
199.Mounting flange-Small installation space,specifications4-16
200.Mounting flange-Small installation space,specifications4-16





